string(4) "2786"

Циклон СК-ЦН-34-1800 в Хабаровске

Версия
для печати
В наличии на складе Цена в рублях с НДС 364 000
Получите скидку
у менеджера
Цена на циклон СК-ЦН-34-1800 с доставкой от 364 000 рублей с НДС
Внутренний диаметр корпуса циклона ЦН, мм1800
Производительность циклона, м³/ч13730-32050
Доставка ТК в г. Хабаровск и по России
Безналичный расчет
Опросный лист
Опросный лист
  • Технические
    характеристики
  • Описание
    товара
  • Дополнительно
    потребуется
  • Сертификаты и
    гарантии
  • Отзывы о
    продукции
  • Видео
    обзор

Технические характеристики циклона СК-ЦН-34-1800

Тип циклона Циклон СК-ЦН
Вид СК-ЦН-34-1800
Марка СК-ЦН-34
Массовая концентрация пыли в очищаемом газе, не более: для слабослипающихся пылей, г/м³ 1000
Массовая концентрация пыли в очищаемом газе, не более: для среднеслипающихся пылей, г/м³ 250
Температура рабочей среды до, °С 400
Коэффициент гидравлического сопротивления 1270
Внутренний диаметр корпуса циклона ЦН, мм 1800
Количество циклонов в группе, шт 1
Площадь сечения цилиндрической части корпуса (группы корпусов), м² 2.54
Скорость, м/с 1.5-3.5
Рабочее сопротивление, Па 1886-10268
Камера очищенных газов Нет
Вид пылесборного бункера Пирамидальный
Количество пылесборных бункеров, шт 1
Объем пылесборного бункера, м³ 2.75
Размер пылевыгрузного окна бункера, мм 450х450
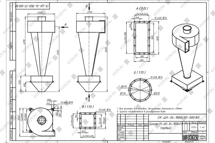
Размеры циклона ЦН (с учетом бункера): длина*ширина*высота, мм 2252х2375х6220
Масса блока циклонов, кг 1225
Бренд KVZR
Производительность циклона, м³/ч от 13730 до 32050

Циклон СК ЦН 34 1800 в Хабаровске

Котельный завод г Хабаровск производит огромный выбор циклонов СК-ЦН-34-1800 для промышленной очистки воздуха от пыли и ее сбора на вредном производстве и в промышленных котельных. На сайте нашего котельного завода вы можете подобрать и купить циклон СК ЦН 34 1800 по низкой цене. Менеджеры нашего завода дадут консультации по подбору оборудования и помогут в расчете производительности агрегата для вашего производства.

Назначение и сфера применения

Циклоны СК-ЦН-34-1800 предназначены для очистки сажегазовых и сажевоздушных смесей от твёрдых частиц при пневмотранспортировке, аспирации и пневмоуборке сажевого (технического) углерода, очистка газового теплоносителя после распылительных сушилок дрожжевого производства гидролизных предприятий, эффективные при очистке газов от мелко-дисперсных пылей. Возможно использование во взрывоопасной, коррозионной среде.

Сфера применения
  • производство технического углерода;
  • установка каталитического крекинга нефтепродуктов, дегидрирования бутана;
  • сажевое производство.

Технические характеристики циклона СК- ЦН-34-1800

  • допустимая запылённость газа 1800 г/м3;
  • температура очищаемого газа – до 250С;
  • рекомендуемая скорость очищаемого газа на входе в циклон – 10-17 м/сек;
  • давление – до 11800 Па;
  • коэффициент гидравлического сопротивления (на входе) – 22,6;
  • степень очистки (от пыли d=10 мкм, плотностью 2,7 г/см3) – до 97%.

Циклон СК-ЦН-34-1800 основные размеры в мм

Ddd1aLbhфл
180061241292710803853601803798927

Устройство и описание

Конструкция циклона для пыли СК ЦН 34 1800 спирально-коническая разработана НИИОГазом, цифра 34 обозначает соотношение диаметров выхлопной трубы и конической части циклона. Аппараты состоят из удлиненного конического корпуса с входным и выходным патрубками, спирального раскручивателя потока воздуха, а также затвора для удаления скопившейся пыли. Для большего удобства монтажа и эксплуатации, а также совместимости с различными системами вентиляции эти устройства могут иметь правое или левое закручивание потока. Правым принято называть вращение газового потока в циклоне по часовой стрелки, если смотреть со стороны выхлопной трубы, левым - вращение против часовой стрелки. В зависимости от свойств пыли и его дисперсного состава частиц данные циклоны рекомендуется использовать в качестве первой ступени очистки воздyxа.

Принцип работы

Принцип работы циклона для очистки воздуха на производстве СК-ЦН 34 1800 центробежно-гравитационный. Во входной патрубок поступает пылевоздушный поток, завихритель придает ему направление движения, при этом скорость потока в конусе увеличивается с продвижением составляющих мелких фракций к бункеру циклона. Частицы пыли прижимаются благодаря инерции к стенкам и осыпаются вниз, а очищенный воздух направляется вверх, и выходит через выхлопную трубу.

Эксплуатация циклона СК ЦН 34 1800

  1. На эффективность работы агрегатов существенное влияние оказывает режим работы аппарата. Для обеспечения наиболее высоких коэффициентов очистки воздуха режим работы должен быть стабильным, изменения в расходе воздуха не должно превышать 10-12%.
  2. Наиболее характерным нарушением нормальной работы циклонных установок является истирание стенок конуса абразивной пылью и налипание. С увеличением диаметра агрегата и понижением скорости воздушного потока на входе, истирание стенок и налипание пыли уменьшается.
  3. Количество воздушного потока, который поступает на входе, должно находиться в пределах, предусмотренных для данного аппарата.
  4. При уменьшении количества воздуха снижается скорость его движения, что приводит к снижению коэффициента очистки.
  5.  При значительном увеличении количества воздуха возникает гидравлическое сопротивление, что может привести к уменьшению коэффициента очистки.

Эффективность очистки пылеуловителем обеспечивается выполнением следующих мероприятий:

  • осмотр и ремонт циклонного пылеуловителя СК-ЦН-34 1800 производятся регулярно, согласно производственным условиям;
  • отсутствуют подсосы воздуха в элементы аппарата;
  • запорно-разгрузочный шибер сборного бункера герметичен;
  • бункер пылеуловителя регулярно очищается;
  • при остановке агрегата полностью опорожняется сборный бункер, для исключения увлажнения уловленной пыли и образования завалов и пробок в тракте;
  • скорости движения очищаемого потока в пылеуловителе для абразивной среды 2-2.5 м/с, для не абразивной среды 2-6 м/с.

Подбор пылеуловителя

Подбор необходимой модели осуществляется исходя из производительности, размеров очищаемого помещения, типа и выделяемого объема загрязнений.

Купить циклон СК ЦН 34 1800

Для того чтобы купить промышленный циклон СК ЦН 34-1800 в Хабаровске, вы можете сделать заявку в отдел сбыта по телефону (38-52) 29-97-41 (42), либо оформить заявку онлайн. Наши менеджеры дадут консультацию по подбору вспомогательного оборудования для выбранных вами моделей и рассчитают стоимость доставки до вашего региона и населенного пункта.

Дополнительное вспомогательное оборудование для работы циклона СК-ЦН-34-1800

Для эффективной и надежной работы циклона СК-ЦН-34-1800 в вашей котельной вам потребуется дополнительное оборудование - затвор-мигалка МГ-300, газоход циклона, постамент циклона.

Цена 17 000 рублей с НДС

Производим газоходы по индивидуальному заказу. Системы газоходов могут включать в себя:

  • шиберы;
  • газоходы различного сечения;
  • переходы;
  • тройники;
  • карманы всасывающие ТДМ.
Цена 30 000 рублей с НДС

Производим постаменты и опоры циклонов по индивидуальному заказу.

Цена 50 000 рублей с НДС

Дополнительные услуги

Сертификат и качество циклона СК-ЦН-34-1800

Циклоны и золоуловители производства Котельный завод "РЭП" соответствуют строгим стандартам качества и безопасности.

Циклоны имеют декларацию соответствия Техническим регламентам Таможенного союза ТР ТС 010/2011 «О безопасности машин и оборудования».

Промышленный циклон СК-ЦН-34-1800 включен в реестр российских производителей промышленного оборудования Минпромторг и имеют реестровую запись номер № 10729654 от 14.10.2025, сроком действия до 13.10.2028 подтверждающую российское происхождение продукции.

Промышленный циклон СК-ЦН-34-1800 имеет гарантийный срок 24 месяца и срок работы при соблюдении правил монтажа и эксплуатации оборудования 10 лет.

Сертификат для золоуловителей .jpg
Сертификат на золоуловители
Сертификат о происхождении товара форма СТ-1 .jpeg
Сертификат о происхождении товара (форма СТ-1)

Отзывы о продукции

Отзыва о товаре пока нет, будьте первыми!

Циклоны являются наиболее распространенным газоочистным оборудованием. Предназначены для очистки сажегазовых и сажевоздушных смесей от твёрдых частиц при пневмотранспортировке, аспирации и пневмоуборке сажевого (технического) углерода. При небольших капитальных затратах и эксплуатационных расходах, циклоны в зависимости от характеристик улавливаемой пыли, типа и режима работы обеспечивают эффективность очистки газов и пылеулавливания 80-95 %.

Смотреть видеообзор на

Вопрос-ответ

  • Технические
    характеристики
  • Описание
    товара
  • Дополнительно
    потребуется
  • Сертификаты и
    гарантии
  • Отзывы о
    продукции
  • Видео
    обзор
Документы завода
  • Сертификаты завода
  • Членство в СРО
  • Аттестованная технология сварки
  • Патенты на котельное оборудование
  • Товарные знаки
Смотреть все документы
Сертификат на водогрейные котлы на твердом и жидком топливе
Сертификат на водогрейные котлы на газе и жидком топливе
Сертификат на котлы отопительные паровые КП
Сертификат на топки
Сертификат на щиты управления
Сертификат на скиповые подъемники
Сертификат на золоуловители (циклоны)
Сертификат на конвейеры скребковые
Сертификат на дробилки
Сертификат на клапаны предохранительные
Сертификат на бункер-накопитель механизированный
Сертификат на автоматику газовых горелок
Сертификат о происхождении товара форма СТ-1
Членство в СРО
Членство в СРО
Аттестованная технология сварки
Свидетельство аттестованной технологии сварки
Патент на отопительный котел
Патент на водогрейный котел
Патент на топку водогрейного котла
Патент на водогрейный газовый котел
Патент на водогрейный котел
Патент на топочное устройство твердотопливного котла
Патент на водогрейный котел
HEATEXPERT товарный знак
KVZR товарный знак
STEAMEXPERT товарный знак
Другая похожая продукция
Вы просматривали эти товары
Циклон СК ЦН 34
Внутренний диаметр корпуса циклона ЦН, мм1800
Производительность циклона, м³/ч13730-32050
364 000 р. Цена с НДС
Парогенератор 2500 кг температура 130 С на дизеле
Лизинг
Производительность, кг/ч2000
ТопливоДизель, Жидкое
Температура пара, не более, °C130
Давление пара, не более, МПа0.17
2 015 000 р. Цена с НДС
Котел 0.58 МВт уголь дрова
ТопливоУголь, Дрова, Твердое
Вид топкиРучная, Колосники, ОУР
Максимальная тепловая мощность, МВт0.58
Отапливаемая площадь, м²4500-6400
649 000 р. Цена с НДС
Парогенератор 1600 кг температура 130 С на дизеле
Лизинг
Производительность, кг/ч1600
ТопливоДизель, Жидкое
Температура пара, не более, °C130
Давление пара, не более, МПа0.17
1 455 000 р. Цена с НДС
background